



포집 효율 30μ 기준 98% 이상 (당사 측정값)
간편한 유지보수
올 스테인리스 구조로 제작되어 장비 전체를 물 세척할 수 있어 청소가 매우 간편합니다.
또한, 공구 없이 포집된 분진을 쉽고 빠르게 배출할 수 있습니다.
컴팩트 설계
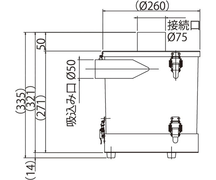
D280 mm × W260 mm × H355 mm의 컴팩트한 설계로 제작되었습니다.
설치 장소의 제약이 적은 소형 전처리 장치입니다. (MGC-180-02)
추천 연결 집진기
CBA-1000AT3-HC-DSA-V1
CBA-1500AT3-HC-DSA-V1

레이저 용접, 밀봉
레이저 용접 공정시 발생 위험이 있는 스퍼터를 포집하는 것으로, 집진기의 화재 위험을 저감

금속 부품에 인쇄, 각인
레이저 인쇄, 각인시에 발생하는 미분진을 포집하는 것으로, 집진기 필터수명 연장

패키지에 인쇄, 박리
패키지에 인쇄 등 흄과 함께 발생하는 종이 가루를 포집하여 집진기 필터수명 연장

| 처리 풍량 | 1.5~3.0㎥/min |
|---|---|
| 먼지 용량 | 2.0L |
| 흡입구 (호스 크기) 크기와 수량 | φ75 |
| 질량 | 5.3kg |
| 본체 크기 (D x W x H) | 280mm × 260mm × 335mm |