CNPCO

닫기
CBA-080AT3-HI
고압 소형 CBA 시리즈

CBA-080AT3-HI

    • 강력한 흡입력으로 미세먼지를 흡착하는 고압 진진기
    • 클린룸에서 사용 가능
    • 작은 직경의 파이프라인, 길고 좁은 개구부에 사용 적합
  • -UL2 (Option) MET인증
  • RoHS compliant

    RoHS compliant

  • High pressure type

    High pressure type

  • Control panel AT3 panel

    Control panel AT3 panel

  • Remote control feature

    Remote control feature

  • CE compliant

    CE compliant

  • Clean room compliant

    Clean room compliant

제품특징

입자의 구조와 특성을 포착
  • 24시간 연속운전 가능 / 소형화, 고성능

    • 길고 좁은 노즐형 후드를 사용하여 부착된 먼지를 흡수하는 데 적합합니다.
    • 길고 좁은 배관 구성에서도 높은 흡입력을 최대한 활용할 수 있습니다.
    • 산업현장 Needs 에 맞춰 장비 소형화를 실현한 설계
    • CBA 시리즈는 「소형화, 고성능 」 연구개발 철학을 가장 잘 구현한 제품입니다.
시각화 실현
시각화 실현
집진기의 구조와 특징
집진기의 구조와 특징
  • 1. 1차 필터백

    필터백은 5겹 구조의 PP 부직포로 만들어졌습니다. 각 층의 공기 투과도가 다르고 차단이 쉽지 않으며, 45μ 먼지를 95% 이상 포집할 수 있습니다.
    또한, 5층 구조로 전체적인 강도가 향상 되었으며, 종이 필터백에 비해 쉽게 손상되지 않습니다.

  • 2. 2차 고성능 필터

    PP 부직포로 제작된 주름필터로 제작되었습니다. 필터 외관의 재질은 ABS 수지 입니다. 집진 효율이 높고 0.3μ 먼지는 99% 이상 포집할 수 있습니다.

  • 3. 배기필터

    1차, 2차 필터에서 걸러지지 못한 입자를 모두 잡아내기 위해서는 2차 필터와 동일한 필터를 사용합니다.
    또한, 모터 팬 자체에서 발생되는 미세 입자를 포집하도록 설계 되었습니다.
    0.3um 입자의 집진율은 99% 이상에 도달할 수 있으며, 100,000~10,000 등급의 클린룸에서 사용할 수 있습니다.
    배기단에 HEPA 필터를 설치하면(0.3um 입자 99.97% 이상 여과) 1000등급의 클린룸에서 사용 가능합니다.

    ※ 공장 출고 시 검사를 거쳤으며, 모델명 뒤에 V1을 붙인 경우 배기필터는 HEPA 필터 사양입니다.
    표준장비 제품을 구매하시면 V1사양으로 간단히 교체가 가능합니다.
    * HEPA 필터의 크기가 다양하므로 배기 커버를 교체해야 합니다.

부속품

  • 원격 제어 기능

    원격 제어 기능

    리모컨 코드(별매품/모델:MT-173-8(3m)를 사용하면 주변기기와 원격으로 조작할 수 있습니다.
    호스트 스위치 용량 수준(풍량) 변경
    원격 제어 기능을 사용하여 능력 수준을 변경할 수 있습니다.
    각 변경 사항은 기록되고 다음에 재부팅할 때 자동으로 해당 수준으로 조정됩니다.
    또한 작동 신호, 필터 막힘 신호, 압력 신호 및 이상 신호를 호스트 컴퓨터에서 출력할 수 있습니다.

  • LAN/RS-485

    LAN/RS-485 (옵션사항)

    AT3 패널의 모든 기능은 LAN 또는 RS-485 통신을 사용하여 작동할 수 있습니다.

  • 교체형 플랜지

    교체형 플랜지(표준:Ø65)(옵션)

    • 쉬운 교체
    • 사이즈 변경 가능

    흡입구 플랜지의 크기는 쉽게 변경할 수 있으며, 본체 구입 후에도 변경이 가능합니다.(옵션)

    사이즈 변경 가능(별매)
    Ø50: FRJ-D-50-35-92형
    Ø38: FRJ-D-38-35-92형

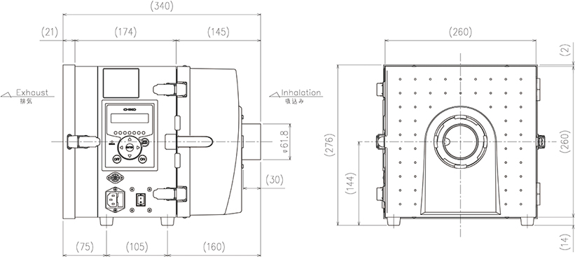
외형도

외형도

제품사양

출력 450W
전압 · 상 200-230V 단상 (50/60Hz)
CE 대응
정격 전류 4.3A
최대 풍량 1.9㎥/분
최대 정압 9.3kPa
소음치 58 - 70dB ※1
흡입구 크기 Ø65(별매 Ø50, Ø38)
전원코드 3m
원격 제어 기능 O ※2
이더넷 RS-485 통신 기능 O ※3
클린 클래스
(옵션 HEPA 탑재 시)
100,000-10,000(HEPA 옵션인 경우 1,000) ※4
1차 필터 용량 2.5L
중량 10.0kg
본체 크기(D x W x H) 340 x 290 x 276mm

※1 흡입구에 호스를 연결한 후 본체로부터 1m 떨어진 곳에서 A-가중 데시벨(dBA) 값을 측정합니다.
※2 리모컨 케이블은 별도로 구매하셔야 합니다.
※3 선택기능
※4 출하 전 검사된 값
위 내용은 별도의 공지 없이 변경될 수 있습니다.

풍량 계산식

Q : 필요풍량(㎥/min)
Vc : 제어풍속(m/Sec)
X : 거리(m) * 분진 발생원으로부터 흡입구까지의 거리
A : 개구면 면적(m2) * L x W
풍량 Q : 60 x Vc x (10 x X²-A)

후드 제어풍속
폐쇄형 후드 0.4
개방형 후드 가벼운 먼지 0.5
0.25
무거운 먼지 0.75
외부 공기 흐름의 영향을 받음 1
필터 모델
1차 필터백 FB-25
2차 고성능 필터 CHF-2525-50
배기 필터 CHF-2525-50
HEPA 필터(V1 모델) HEP-2525-50