



RoHS compliant

High pressure type

Control panel AT3 panel

Remote control feature

CE compliant

Clean room compliant
24시간 연속운전 가능 / 소형화, 고성능


1. 1차 필터백
필터백은 5겹 구조의 PP 부직포로 만들어졌습니다. 각 층의 공기 투과도가 다르고 차단이 쉽지 않으며, 45μ 먼지를 95% 이상 포집할 수 있습니다.
또한, 5층 구조로 전체적인 강도가 향상 되었으며, 종이 필터백에 비해 쉽게 손상되지 않습니다.
2. 2차 고성능 필터
PP 부직포로 제작된 주름필터로 제작되었습니다. 필터 외관의 재질은 ABS 수지 입니다. 집진 효율이 높고 0.3μ 먼지는 99% 이상 포집할 수 있습니다.
3. 배기필터
1차, 2차 필터에서 걸러지지 못한 입자를 모두 잡아내기 위해서는 2차 필터와 동일한 필터를 사용합니다.
또한, 모터 팬 자체에서 발생되는 미세 입자를 포집하도록 설계 되었습니다.
0.3um 입자의 집진율은 99% 이상에 도달할 수 있으며, 100,000~10,000 등급의 클린룸에서 사용할 수 있습니다.
배기단에 HEPA 필터를 설치하면(0.3um 입자 99.97% 이상 여과) 1000등급의 클린룸에서 사용 가능합니다.
※ 공장 출고 시 검사를 거쳤으며, 모델명 뒤에 V1을 붙인 경우 배기필터는 HEPA 필터 사양입니다.
표준장비 제품을 구매하시면 V1사양으로 간단히 교체가 가능합니다.
* HEPA 필터의 크기가 다양하므로 배기 커버를 교체해야 합니다.

원격 제어 기능
리모컨 코드(별매품/모델:MT-173-8(3m)를 사용하면 주변기기와 원격으로 조작할 수 있습니다.
호스트 스위치 용량 수준(풍량) 변경
원격 제어 기능을 사용하여 능력 수준을 변경할 수 있습니다.
각 변경 사항은 기록되고 다음에 재부팅할 때 자동으로 해당 수준으로 조정됩니다.
또한 작동 신호, 필터 막힘 신호, 압력 신호 및 이상 신호를 호스트 컴퓨터에서 출력할 수 있습니다.

LAN/RS-485 (옵션사항)
AT3 패널의 모든 기능은 LAN 또는 RS-485 통신을 사용하여 작동할 수 있습니다.

교체형 플랜지(표준:Ø75)(옵션)
흡입구 플랜지의 크기는 쉽게 변경할 수 있으며, 본체 구입 후에도 변경이 가능합니다.(옵션)
사이즈 변경 가능(별매)
Ø65: FRJ-D-65-35-108형
Ø50: FRJ-D-50-35-108형
Ø38: FRJ-D-38-35-108형

| 출력 | 600W |
|---|---|
| 전압 · 상 | 200-230V 단상 (50/60Hz) |
| CE 대응 | ○ |
| 정격 전류 | 5.0A |
| 최대 풍량 | 4.2㎥/분 |
| 최대 정압 | 9.5kPa |
| 소음치 | 61-69dB ※1 |
| 흡입구 크기 | Ø75(별매 Ø65, Ø50, Ø38) |
| 패널 | AT3 |
| 전원코드 | 3m |
| 원격 제어 기능 | O ※2 |
| 이더넷 RS-485 통신 기능 | O ※3 |
| 클린 클래스 (옵션 HEPA 탑재 시) |
100,000-10,000(HEPA 옵션인 경우 1,000) ※4 |
| 1차 필터 용량 | 4.5L |
| 중량 | 17.4kg |
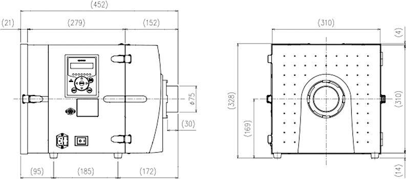
| 본체 크기(D x W x H) | 452 x 340 x 328mm |
※1 흡입구에 호스를 연결한 후 본체로부터 1m 떨어진 곳에서 A-가중 데시벨(dBA) 값을 측정합니다.
※2 리모컨 케이블은 별도로 구매하셔야 합니다.
※3 선택기능
※4 출하 전 검사된 값
위 내용은 별도의 공지 없이 변경될 수 있습니다.
Q : 필요풍량(㎥/min)
Vc : 제어풍속(m/Sec)
X : 거리(m) * 분진 발생원으로부터 흡입구까지의 거리
A : 개구면 면적(m2) * L x W
풍량 Q : 60 x Vc x (10 x X²-A)
| 후드 | 제어풍속 | |
|---|---|---|
| 폐쇄형 후드 | 0.4 | |
| 개방형 후드 | 가벼운 먼지 | 0.5 |
| 흄 | 0.25 | |
| 무거운 먼지 | 0.75 | |
| 외부 공기 흐름의 영향을 받음 | 1 | |
| 1차 필터백 | FB-30 |
|---|---|
| 2차 고성능 필터 | CHF-3030-50 |
| 배기 필터 | CHF-3030-50 |
| HEPA 필터(V1 모델) | HEP-3030-69 |