



RoHS compliant

High pressure type

Control panel AT3 panel

Remote control feature

CE compliant

Clean room compliant
24시간 연속운전 가능 / 소형화, 고성능


1. 1차 필터백
필터백은 5겹 구조의 PP 부직포로 만들어졌습니다. 각 층의 공기 투과도가 다르고 차단이 쉽지 않으며, 45μ 먼지를 95% 이상 포집할 수 있습니다.
또한, 5층 구조로 전체적인 강도가 향상 되었으며, 종이 필터백에 비해 쉽게 손상되지 않습니다.
2. 2차 고성능 필터
PP 부직포로 제작된 주름필터로 제작되었습니다. 필터 외관의 재질은 ABS 수지 입니다. 집진 효율이 높고 0.3μ 먼지는 99% 이상 포집할 수 있습니다.
3. 배기필터
HEPA 필터가 기본 장착되어 0.3μ 입자의 집진 효율이 99.97% 이상 입니다.

원격 제어 기능
리모컨 코드(별매품/모델:MT-173-8(3m)를 사용하면 주변기기와 원격으로 조작할 수 있습니다.
호스트 스위치 용량 수준(풍량) 변경
원격 제어 기능을 사용하여 능력 수준을 변경할 수 있습니다.
각 변경 사항은 기록되고 다음에 재부팅할 때 자동으로 해당 수준으로 조정됩니다.
또한 작동 신호, 필터 막힘 신호, 압력 신호 및 이상 신호를 호스트 컴퓨터에서 출력할 수 있습니다.

LAN/RS-485 (옵션사항)
AT3 패널의 모든 기능은 LAN 또는 RS-485 통신을 사용하여 작동할 수 있습니다.

교체형 플랜지(표준:Ø75)(옵션)
흡입구 플랜지의 크기는 쉽게 변경할 수 있으며, 본체 구입 후에도 변경이 가능합니다.(옵션)
사이즈 변경 가능(별매)
Ø65: FRJ-D-65-35-108형
Ø50: FRJ-D-50-35-108형
Ø38: FRJ-D-38-35-108형

| 출력 | 1200W |
|---|---|
| 전압 · 상 | 200-230V 단상 (50/60Hz) |
| CE 대응 | ○ |
| 정격 전류 | 9.5A |
| 최대 풍량 | 5.5㎥/분 |
| 최대 정압 | 13.5kPa |
| 소음치 | 60 - 77dB ※1 |
| 흡입구 크기 | Ø75(별매 Ø65, Ø50, Ø38) |
| 패널 | AT3 |
| 전원코드 | 3m |
| 원격 제어 기능 | O ※2 |
| 이더넷 RS-485 통신 기능 | O ※3 |
| 클린 클래스 | 1,000(HEPA 기본장착) ※4 |
| 1차 필터 용량 | 4.5L |
| 중량 | 26.7kg |
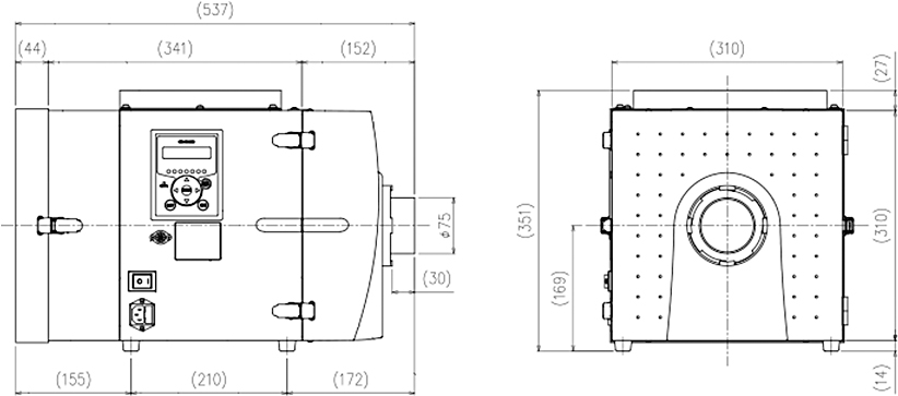
| 본체 크기(D x W x H) | 537 x 340 x 351mm |
※1 흡입구에 호스를 연결한 후 본체로부터 1m 떨어진 곳에서 A-가중 데시벨(dBA) 값을 측정합니다.
※2 리모컨 케이블은 별도로 구매하셔야 합니다.
※3 선택기능
※4 출하 전 검사된 값
위 내용은 별도의 공지 없이 변경될 수 있습니다.
Q : 필요풍량(㎥/min)
Vc : 제어풍속(m/Sec)
X : 거리(m) * 분진 발생원으로부터 흡입구까지의 거리
A : 개구면 면적(m2) * L x W
풍량 Q : 60 x Vc x (10 x X²-A)
| 후드 | 제어풍속 | |
|---|---|---|
| 폐쇄형 후드 | 0.4 | |
| 개방형 후드 | 가벼운 먼지 | 0.5 |
| 흄 | 0.25 | |
| 무거운 먼지 | 0.75 | |
| 외부 공기 흐름의 영향을 받음 | 1 | |
| 1차 필터백 | FB-30 |
|---|---|
| 2차 고성능 필터 | CHF-3030-50 |
| 배기 HEPA 필터 | HEP-3030-69 |
| 블로워 냉각용 배기 필터 | HEP-1293-34 |
| 블로워 냉각용 흡기 필터 | PS/150N(115x40) |